危険区域の精緻なリスク評価(最新IEC規格による防爆エリアの設定)

 精緻なリスク評価とは 

「危険区域の精緻なリスク評価」とは、爆発性雰囲気が発生する可能性のあるプラントや工場などにおいて、経済産業省発行の「プラント内における危険区域の精緻な設定方法に関するガイドライン」(以下、「防爆ガイドライン」)および最新の国際規格:IEC 60079-10-1 Edition 3.0(以下、「IEC Ed3.0」)に基づき、従来よりも詳細かつ定量的にリスクを算定・評価し、危険区域(防爆エリア)を最適化する手法のことです。

IEC (International Electrotechnical Commission

従来の評価方法に比べ、より具体的な漏洩条件、ガスの放出特性、換気条件、物質の物性値などを考慮に入れることで、リスクを正確に把握し、危険区域と非危険区域をより合理的に区別することを目的としています。
また、従来の評価方法では取り扱われる流体の物性、運転条件(温度、圧力)、取扱量などに関わらず一律的に広く危険区域が設定されていましたが、精緻なリスク評価ではリスクに応じた危険区域となり、結果として非危険区域が広がることが多くなりました。

※従来の評価方法と最新の評価方法についての詳細は、「従来と最新の設定方法」をご参照ください。

<IEC Ed3.0 >  <防爆ガイドライン>

 

 リスク評価によるメリット 

この精緻なリスク評価による主なメリットとしては、次の事項が挙げられます。

  1. 危険区域の最適化とコスト削減
    リスクを合理的に評価し、危険区域の範囲を必要最小限に抑えることで、高価な防爆機器から非防爆機器への切り替えが可能となり、設備投資や維持管理のコストを削減することができます。

  2. 第1等級放出源への適用
    防爆ガイドラインでは第2等級放出源を主としていますが、タンク等のベント、開放液面を有する設備・機器、塗装面などの第1等級放出源の評価についてご相談いただくことが多くなっています。
    第1等級放出源については、防爆ガイドラインやIEC Ed3.0に具体的な計算方法の記載がありませんが、実際の現象を踏まえて、リスク評価方法を検討し、その評価結果を基に合理的な危険区域とすることが可能です。
    (弊社では第1等級放出源の評価方法について、その考え方をご提示しています。)

  3. 屋内への適用
    防爆ガイドラインでは屋外を中心に規定されていますが、屋内についてもIEC Ed3.0に基づいて評価することが可能です。
    危険物を取り扱う屋内施設では換気装置が設置されていることがほとんどですが、その換気能力の見直し、予備機の設置、局所排気の設置などによって全域を非危険区域化することも可能です。

  4. 少量危険物取扱所への適用
    危険物製造所や一般取扱所と比べて、危険物の取扱量が限られる少量危険物取扱所においても、施設全体に危険区域が設定されていますが、リスク評価により危険区域の大幅な低減、場合によっては施設全体を非危険区域化することが可能です。

  5. 保安レベルの維持・向上
    電気設備の防爆構造を規定している各種法令(消防法、高圧ガス保安法、労働安全衛生法など)が求める保安レベルを維持しつつ、より実態に即した安全対策を講じることが可能です。また、危険箇所の網羅的な抽出とリスク評価により、危険箇所を可視化し、安全教育等を通じて周知徹底することで安全意識の向上を期待できます。



 リスク評価後の展開事例 


リスク評価によって、非危険区域が確定・確保され、自社内のDX化等の業務改善に展開が期待される事例をご紹介します。
危険物施設の保安分野において推進されているDX化による業務改善・効率化、働き方改革、人材不足の解消に向けた活用が期待できます。

  1. スマートフォンやタブレットなどの可搬式非防爆機器の使用範囲拡大
    現場での情報閲覧、即座の情報共有や報告、作業記録の電子化など、現場作業の効率化や負担軽減、バイタルセンサーなどの携帯による作業者の安全確保のために、スマートフォンやタブレット端末などを導入が可能となります。

  2. センサー・カメラの設置範囲拡大
    現場にセンサーやカメラを設置し、継続的に情報を取得することで従来作業者が実施していた作業を自動化・電子化することが可能となります。また、得られた情報を基に解析、診断し、早期の異常検知を行い、事故や故障等の未然防止に役立てられます。また、侵入検知によるアラート機能などを追加することで危険区域への誤侵入防止に役立てられます。

  3. 非危険区域(非防爆エリア)を確保する条件検討
    非危険区域を確保する条件(必要な換気条件や許容される漏洩量など)を検討し、防爆構造に対応できない固定設備の導入などが可能となります。

  4. ドローンの活用推進
    危険物施設において、足場などが必要な高所の点検作業の代替手段、搭載カメラの画像解析による異常診断などにドローンの利活用ニーズがあります。また、ドローン飛行には飛行計画書作成が必要となり、危険区域と非危険区域を明確にする必要があります。

  5. 工事コスト削減
    非危険区域の拡大により、機器更新時など、より価格の低い非防爆機器を選択可能となり、工事コスト削減に寄与します。

  6. 火気使用エリアの拡大と工事業務の平準化
    非危険区域の拡大により、火気を使用する工事を日常の工事で行うことが可能となり、定修工事の負担軽減とともに、工事業務の平準化を図ることが可能となります。

 

 お客様ニーズにお応えする評価体制の構築 


前述の通り、従来の方法では危険箇所から一律的に危険区域(危険距離)が適用されることがほとんどでしたが、精緻なリスク評価では防爆ガイドラインやIEC Ed3.0に基づき、詳細な評価計算をする必要があります。
第1等級放出源の評価、熱の影響を考慮した蒸発計算など、防爆ガイドラインやIECEd3.0に具体的な計算方法が示されていない項目、複雑な条件に対しても、化学工学、熱力学、流体力学などの工学的な検討を行う必要があり、高い専門性が求められます。
また、網羅的に危険箇所を抽出し、各箇所について個別にリスク評価計算を行います。
1ケースを評価するだけでも相当な時間を要しますので、施設全体を網羅的に評価すると数百ケースの実施となる場合があり、非常に手間と労力のかかる作業となります。

弊社では効率的に実施できる体制の整備にいち早く着手し、その体制を構築いたしました。

  • 防爆ガイドラインやIEC Ed3.0に沿った評価計算が可能なように、独自の計算プログラムを構築し効率的な検討が可能です。
  • 防爆ガイドラインやIEC Ed3.0に規定されていない計算方法については、これまでの評価実績からノウハウを積み上げ、同様に効率的な検討が可能な体制を構築しています。
  • 手計算で実施した場合、半年から1年、場合によっては1年以上の時間を要することが想定される場合でも、大幅に時間短縮し、数カ月単位で評価結果をご提供できます。
  • 海外拠点向けにリスク評価の検討が必要な場合、報告書および評価結果資料を全て英文でご提示することも可能です。IECEd3.0 は、国内にとどまらず、海外でも広く採用されている規格です。

まずはお気軽にお問い合わせください。Web会議でリスク評価についての詳細をご説明させていただくことも可能です。

 

 カタログ  

危険区域の精緻なリスク評価業務についての「カタログ」は、こちらからご覧いただけます。
右の画像をクリックすると、カタログダウンロードのページへ移ります。



戻る

 従来の防爆エリア設定方法 

 

従来は、基本的には労働安全衛生総合研究所技術指針「ユーザーのための工場防爆設備ガイド」に従って防爆エリアを設定することになっていますが、より具体的かつ明確に定められている四日市市危険物規制審査基準など地方自治体の基準によって設定する事が多くなっています。
これらの基準はAPI RP500, or 505(American Petroleum Institute)やNFPA497(National Fire Protection Association)などがベースになっており、いずれも下図のようなサンプル図のように、可燃性の危険物であれば、その蒸気圧、分子量、漏洩の可能性に関わらず、一律に防爆エリアを設定するものです。


API 500

NFPA 497

 

 最新の設定方法(防爆ガイドラインおよびIEC Ed3.0) 

 

防爆ガイドラインおよびIEC Ed3.0では、リスクを評価する基準(漏洩口の大きさや風などの換気程度の示唆値)が提示されており、漏れ量や拡散の程度を定量化する事によって、個々のケースについてリスクを評価する方法に変わりました。

【経緯】
2015年 IEC 60079-10-1 Edition 2.0(以下、「IEC Ed2.0」)が発行され、定量的なリスク評価に基づく危険区域の精緻な設定が可能となる。
2019年 経済産業省がIEC Ed2.0を基に、「プラント内における危険区域の精緻な設定方法に関するガイドライン」(以下「防爆ガイドライン」)を発行する。
    消防庁より、消防危第84号「危険物施設における可燃性蒸気の滞在するおそれのある場所に関する運用について」が各都道府県消防に通達される。
2020年 最新版 Edition 3.0(以下「IEC Ed3.0」)が発行される。(なお、IEC Ed3.0によると、この時点でIEC Ed2.0は無効となっております。)

以下に、精緻なリスク評価における概念図を示します。

<精緻なリスク評価概念図>

 

個々のケースによるリスク評価の結果、危険場所か非危険場所かの判定が可能となり、結果として非危険場所の範囲が広くなることが多くなりました。
危険場所と判定された場合にはその範囲(危険距離)もグラフから読み取る事が出来ます。


 <換気度>                               <危険距離>

出典:経済産業省「プラント内における危険区域の精緻な設定方法に関するガイドライン」(2020年1月)

 

 

 従来と最新の設定方法による危険区域の違い 

  1. 屋外施設

    【従来の設定方法】

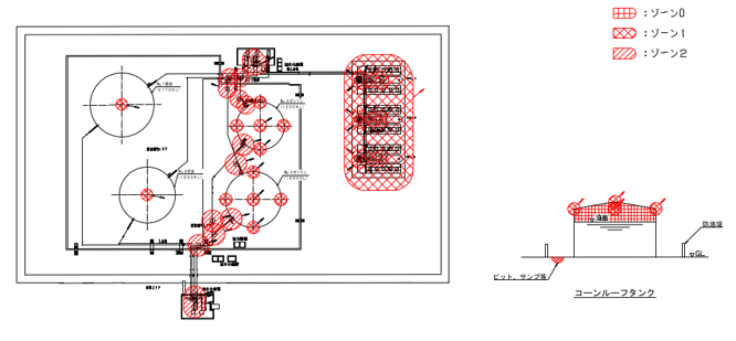
    従来は、可燃性の危険物であれば、その蒸気圧、分子量、漏洩の可能性に関わらず、ほぼ一律に危険区域が設定されていました。
    そのため、以下の危険区域図のようにプラント設備のある区画全体を危険区域として設定することがほとんどでした。
    従来のサンプル図

    【従来の危険区域図】

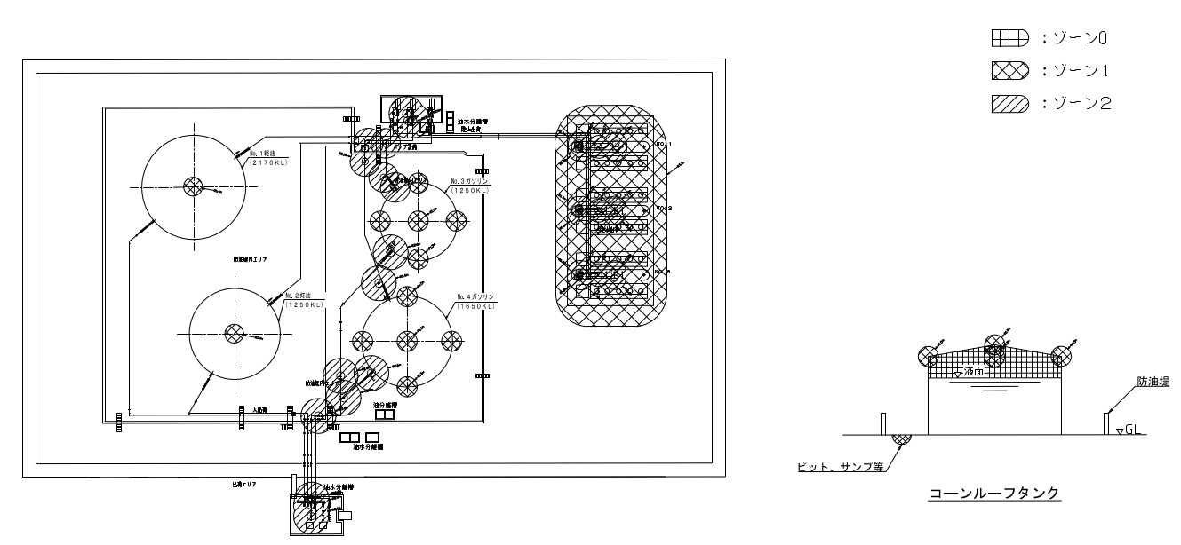
    【最新の設定方法】
    個々のケースについて精緻なリスクを評価を行うことにより、以下のように危険場所か非危険場所かの判定が可能となるため、結果として非危険区域の範囲が広くなることが多くなりました。

    従来と最新の設定方法による危険区域図を比較してみると、次のようなことが言えます。

    • 第一等級放出源となるベントでは、揮発性の高い物質(上図ではガソリンなど)で危険区域が残るが、灯油や軽油になれば、一部のベントで危険区域がなくなる。
    • 第二等級放出源では、ガソリンの配管ラインのバルブ、ポンプなどの周辺で危険区域となるが、その周辺の危険距離内で収まり、防油堤全体が危険区域とはならない。非危険区域が広く確保されている。
    • ローリー出荷場や桟橋でも危険区域はあるものの、従来の設定方法より危険区域は低減している。



     


    最新の防爆エリア設定方法

    【最新の設定方法による危険区域図】

     

  2.  屋内施設

【従来の設定方法】

屋外同様に、ほぼ一律に危険区域が設定されており、施設全体が危険区域となっていました。


【最新の設定方法】

    1. リスク評価後
      こちらも屋外同様に個々のケースについて精緻なリスク評価を行うことにより、危険区域が非危険区域化の判定が可能となるため、結果として非危険区域の範囲が広くなることが多くなりました。


    2. 換気見直し
      屋内では屋外と異なり、換気装置があるため、その能力を増強し換気速度を上げることが可能です。残存した危険区域を低減、さらには屋内全域を非危険区域とすることが可能となります。


    3. 局所排気の設置
      危険区域が局所的な場合には、その危険箇所周辺に局所排気装置を設置し、局所的に換気速度を上げ、非危険区域とすることが可能です。

 非危険区域化するための事例 

最近では、危険区域の再設定や低減のみならず、非危険区域とするためのご相談を受けることが非常に多くなっています。弊社のこれまでの実績としては、非危険区域化するための事例として、以下が挙げられます。

  • 屋内では、換気能力の増強や冗長化など、排気システムの要件(局所排気システムとの併用を含む)を見直すことにより、全体を非危険区域とすることは十分可能です。
  • 物性データに基づいて計算を行うため、取り扱う流体によっては、ほとんどのエリアが非危険区域となるケースもあります。
  • 油槽所や給油施設などにある防油堤内は、従来の設定では、全体が危険区域になっていますが、フランジ、バルブ、ポンプやベントなどの周り、ピット部分を除き、堤内のほとんどが非危険区域となるケースもあります。
  • キャンドポンプやベローズタイプのバルブを用いるなど、漏洩が起こらないような機器を採用することで非危険区域とすることが可能です。

 

戻る

 リスク評価対応範囲 


弊社では、防爆ガイドラインやIEC Ed3.0に具体的な計算方法などの記載のない項目や複雑な条件に対しても、化学工学、熱力学、流体力学などの工学的な検討を行い、幅広く対応することが可能です。

項目 FPEC対応範囲 説明
1.評価可能物質
  • ガス(水素、メタンなど)
  • 可燃性液体(危険物の引火性液体など)
  • 液化ガス(プロパン、ブタンなど)
  • 低温液化ガス(LNG、液体水素など)
  • 多成分流体(溶剤を混ぜ合わせたものなど、複数の可燃性物質の混合物)
  • 不活性ガス、不揮発性液体、固体、水が含まれる流(例:塗料、研究用試料など)
  • 防爆ガイドラインやIEC Ed3.0ではガス放出や可燃性液体(Non-boiling liquid)の蒸発に関する計算方法の記載がある一方で、フラッシュによるガス放出やBoiling liquidの液蒸発などについては具体的な記載がありません。これらについては漏洩時の実際の現象に基づいて、フラッシュ計算、熱収支計算などを行い、リスク評価します。
  • 多成分流体の場合は混合物としての物性値を推算の上、評価します。
  • 不活性ガス、不揮発性液体、固体、水が含まれる場合、不揮発成分を考慮して評価します。
  • 極低温など取り扱い条件が特殊な水素などについても評価可能です。
2.放出源
  • 連続等級放出源
  • 第1等級放出源
  • 第2等級放出源
  • 第2等級放出源に限らず、連続等級および第1等級放出源を含めて対応可能です。
  • 特に第1等級放出源は様々なケースがあり、実際の現象を踏まえた評価方法を検討します。
    評価例は「実際の適用」8項をご参照ください。
3.屋外/屋内
  • 屋外
  • 屋内
  • 屋内については、防爆ガイドラインでは換気関係の記載が一部あるものの限られた記載となっていますが、弊社ではIEC Ed3.0を基に、屋内の評価も行います。
  • 屋内で非危険区域とするために必要な換気システム要件をご提示することも可能です。
4.Boiling / Non-Boiling liquid
  • 漏洩した液が沸点に達していない、周囲からの熱影響を受けない場合(Non-Boiling liquid)
  • 漏洩した液が沸点に達している場合、地面の熱などに影響される場合(Boiling liquid)
  • 防爆ガイドラインおよびIEC Ed3.0ではBoiling liquidに関する具体的な計算方法の記載がないため、弊社では熱収支計算を行い評価します。
  • 漏洩液がフラッシュする場合はフラッシュ計算を行います。
5.対応業種
  • IEC Ed3.0に準拠して幅広い業種で対応可能です。
  • 弊社の実績を「実績とご活用事例」でご紹介しています。ご参照ください。
  • IEC Ed3.0では一部適用除外の業種がありますが、弊社ではIEC Ed3.0が適用できる業種であれば対応いたしますので、ご相談ください。

 

 実際の適用 

      1. ガスの状態で放出されるケース
        規格通りに容易に計算できるため、リスク評価に当たって、それほどの困難は無く実施できます。

      2. 液で漏れて、地面に液だまりができ蒸発するケース
        以下の通り、場合によって計算法が異なるため、少し複雑となります。
        • 漏洩した液が沸点に達していない、地面からの熱に影響されない場合
          風による物質移動計算に基づく蒸発速度計算となり、IEC Ed3.0記載の計算式に基づき蒸発速度を計算します。
          この時の漏洩時間は現場パトロールなどの実態に合わせて、APIなどを参考に決定します。

        • 漏洩した液が沸点に達している場合、地面の熱などに影響される場合
          IEC Ed3.0の規定により、本条件の場合IEC Ed3.0に記載されている蒸発速度式は適用できないため、弊社では太陽熱、大気、地面などとの熱収支計算から蒸発速度を求めます。

        • 液で漏れてフラッシュする場合
          フラッシュする場合も、上記同様、IEC Ed3.0に記載されている蒸発速度式は適用できないため、フラッシュ計算によりフラッシュ率を求め、残った液からの蒸発速度は別途計算します。
          このように、フラッシュガス量と蒸発ガス量を別々に分けて計算しないと危険距離の算定ができないため注意を要します。

      3. 漏洩物質の物性
        下記に挙げる物質の物性は、その温度ごとに求める必要があり、物性推算法も活用しなければなりません。
        1. 純成分流体の場合
          • ガスおよび液の定圧比熱、比熱比、密度、蒸発潜熱、蒸気圧など。
          • 蒸気圧はアントワン定数から計算します。

        2. 多成分流体の場合
          多成分流体は組成変化を考慮する必要があるため、さらに複雑になります。
          • ガスおよび液の定圧比熱、比熱比、圧縮因子、密度、蒸発潜熱、蒸気圧、分子量、爆発下限界、沸点、液の組成など。
          • 蒸気圧はアントワン定数から各成分の分圧を計算し、ラウールの法則を適用し多成分系の分圧を求めます。
          • 爆発下限界はルシャトリエの法則により計算します。
          • 多成分流体に水(H2O)が含まれている場合、フラッシュ計算・蒸発計算などは水分を含んだ計算とする必要がありますが、分子量、ガス密度、爆発下限界などの物性および放出特性の計算は、水分を除いたものとしなければなりません。

      4. 漏洩口面積
        フランジからの漏洩などについて、IEC Ed3.0は漏洩口面積の範囲を示していますが、(運転圧力/定格圧力)比などを考慮してリスクに見合った適切な値を決定する必要があります。

      5. 漏洩口面積の拡大の有無
        漏洩時に漏洩口の面積が拡大する可能性の有無によって漏洩口面積の示唆値が異なりますが、メンテナンスの状況、プラント建設経過年数、運転圧力、音速などを考慮して決定しています。

      6. 屋外の換気速度
        屋外の換気速度を実測値から採用する場合、IEC Ed3.0では年間を通じて95%以上の時間に必ず吹いている風とすることが求められています。
        平均風速を換気速度として採用した場合、リスク評価として甘くなる可能性があるため注意が必要です。

      7. 危険範囲

        防爆ガイドラインでは危険範囲の空間的な形状について言及がありませんが、IEC Ed3.0では下図のように示されています。
        これらを基に漏洩や蒸発の状況に応じて危険範囲の空間的な形状を決定しています。

      8. 第1等級放出源
        「防爆ガイドライン」では主に屋外、第2等級放出源について書かれていますが、弊社は屋内第1等級放出源についてもIEC Ed3.0に基づきリスク評価を実施しています。
        第1等級放出源は危険物の取り扱われ方により様々なケースがあるため、ケースバイケースでガス放出速度を求める必要があります。以下に一例を示します。

         <評価例> 

        1. タンクベント
          • 気相空間膨張によるガス放出速度の推定
            タンク内がほぼ空の状態で、空間容積が最大のとき、わずかに残っている液がその温度で気液平衡にある状態を想定します。
            タンクの屋根や側壁への太陽からの輻射熱、放射熱、風による対流伝熱などの入出熱を計算し、タンク内気相部の温度上昇速度を求め、気相部の体積膨張速度からベントガスの放出速度を求めます。
            太陽からの輻射熱は設置場所の緯度経度、日付、時刻の太陽高度から決まるため、ガス放出速度の経時変化を求めることにより、危険区域の時間帯による変化を把握することができます。



            <灯油タンク(15000m3)ベントガスの放出速度計算例(気相空間膨張ケース)> (クリックで拡大)
          灯油タンク(15000m3)ベントガスの放出速度計算例(気相空間膨張ケース)

          • タンク側壁温度による沸騰蒸発速度の推定
            タンク満液の場合、タンク側壁の貫流熱量を計算し、その熱により内部液が温められる場合を想定します。
            タンク側壁の温度が沸点より低い場合、入熱は全体の液温の上昇に使われ、タンクの側壁の温度が沸点に達すると入熱は全て液の蒸発に使われることとし、ガスの放出速度を求めます。
            フローティングルーフタンクの場合、気相部の空間容積がほぼないため、気相空間膨張ではなく、こちらの沸騰蒸発を検討します。
            上記同様に、太陽高度の時刻変化を求めることにより、危険区域の時間帯による変化を把握することができます。


            <ガソリンタンク(40000m3)ベントガスの放出速度計算例(沸騰蒸発ケース)> (クリックで拡大)

          灯油タンク(40000m3)ベントガスの放出速度計算例(沸騰蒸発ケース)

        2. 大気開放の液面からの蒸発
          大気に開放された液面から蒸発する場合、液の取り扱い状況、液面上の風の有無(容器の深い部分に液面がある場合は風が吹きにくいなど)などを確認の上、物質移動計算または熱収支計算によりガスの発生速度を求めます。



        3. 塗装面からの蒸発
          塗装面全体に一時に一様に塗られ、塗装面全体から蒸発するケースを想定します。リスク評価としては最大のガス発生速度となり、厳しい側の評価として検討します。


        4. 開放容器での液混合
          開放容器に最も揮発性の高い液(第1液)が入っていて、その中に別の液(第2液)を投入され、第1液から発生するガスが、第2液の容積分、開放容器から押し出されて放出されるケースを想定します。
          第1液から発生するガスの濃度、第2液の投入容積、投入時間から放出速度を求めます。



      9. 第2等級放出源
        第2等級放出源は通常運転中に稀に発生する放出源であり、基本的には防爆ガイドラインやIEC Ed3.0に示されている次のフィッティング類が対象となります。
        1. 圧縮繊維ガスケット、又は類似のものを備えたフランジ
        2. らせん型ガスケット、又は類似のものを備えたフランジ
        3. リング型ジョイント接続(Oリング等)
        4. 小口径接続部50mm以下(ネジ接続等)
        5. バルブステムパッキン
        6. 圧力放出弁(ベント、ドレン弁等)
        7. ポンプ及びコンプレッサー軸シール部

      10. 第2等級放出源(上記以外)
        第2等級放出源は、9項に加えて、危険物施設での作業状況に応じて、ヒューマンエラーに伴う漏洩を検討します。
        例として、製造現場に運搬する危険物容器(ドラム缶、一斗缶等)を誤って転倒させ、漏洩につながるケースがあります。
        この場合、容器内の全量が一時に漏洩し、広がった液表面からの蒸発を想定します。
        漏洩量が大きいと危険区域判定になることが多くなりますが、この判定を非危険区域としたい場合には、容器の転倒防止対策や容量のより小さな荷姿への変更などを自主行動計画書に明記し、非危険区域とするための対策を宣言します。
        自主行動計画書は管轄消防へ提出し許可が下りるものですので、記載した対策は約束事になり、法同様に遵守していくことになります。

      11. リスク評価結果
        何れにしてもIEC Ed3.0に求められている様に、リスク評価に当たって決めた数字の根拠を示す事が重要です。
        弊社では、リスクの評価結果を物性データとともに検討ケースごとに下表のようにまとめ、リスク評価の詳細を明確に記録しています。  
        海外拠点のリスク評価にも対応でき、評価結果資料を英文で提示することも可能です。
        ※詳細は、「リスク評価結果・危険区域図」をご参照ください。

        <リスク評価結果>(クリックで拡大) <物性データ>(クリックで拡大)
        リスク評価結果

 

戻る

 リスク評価結果資料 

リスク評価後の評価結果資料は以下の通りです。

  1. 自主行動計画書
  2. リスク評価結果集計表
  3. 個別リスク評価結果
  4. 危険区域図

【自主行動計画書】

消防申請時の予防規程の添付資料として必要な「自主行動計画書」には、リスク評価方法、評価結果、評価に基づく遵守事項などを盛り込むことになります。
以下に目次例を示します。

<目次例>
1.目的
2.適用範囲および適用規格
3.用語の定義
4.安全確保の基本的な考え方
5.リスク評価方法
 5.1 評価対象物質
 5.2 評価対象放出源の抽出
 5.3 精緻なリスク評価
6.リスク評価結果
7.非危険区域を確保するための対策
 7.1 放出源の対策
 7.2 換気の有効度「良」の確保
8.リスク評価結果に基づく遵守事項
9.非防爆機器の導入および管理
 9.1 非防爆機器の安全評価
 9.2 非防爆機器の管理
 9.3 定置式・移動式非防爆機器の使用時の留意点
 9.4 可搬式非防爆機器の使用時の留意点
10.換気装置の維持管理
11.変更管理
12.定期的な教育の実施と記録

【個別リスク評価結果】

<個別リスク評価結果例>(クリックで拡大) <個別リスク評価結果例・物性データ>(クリックで拡大)
リスク評価結果

 

【危険区域図】

プロットプランに、以下の方法「3次元形状重ね合わせ表示」「従来の平面図および立面図による表示」により危険範囲を表示することが可能です。

      1. 3次元形状重ね合わせ表示

        漏洩源となるフランジやバルブなどの位置について明確になっている資料(配管図等)のCADデータを頂ければ、次図のように、危険範囲を具体的な位置として示す事が可能です。
        危険区域となる漏洩源が多い場合でも、個別の放出源の危険範囲を重ね合わせていくことで施設全体でどのような危険範囲となるか確認でき、施設での運用実態に合わせた非防爆機器の使用可否エリアの明確なゾーン設定に活用できます。
        また、ドローンの安全な飛行計画への活用や、将来的な自動飛行機能への応用など、空間的な位置情報が必要な分野への活用が見込まれます。

        <三次元プロット図上に三次元で表現>(クリックで拡大) <二次元プロット図上に三次元で表現>(クリックで拡大)
        3-3d 2-3d

         

        <二次元プロット図上に二次元で表現>(クリックで拡大)

         

      2. 従来の平面図および立面図による表示

        漏洩源が多い場合は、運転条件と流体が同じであれば、フランジやバルブなどの漏洩源の種類ごとに、平面図と立面図で危険範囲を表示します。漏洩源の具体的な場所は、結果集計表や危険区域図に示します。
        漏洩源が少なく、かつ限定的な場合は、各漏洩源の危険範囲について、平面図および立面図で表示します。

           

 【危険区域図例】     <平面図>             <立面図>

戻る

 実績 

弊社でこれまでにご支援、ご相談をいただいた業種は以下の通りです。

      1. 石油製品プラント
      2. 石油化学プラント
      3. 国家石油備蓄基地(福井石油備蓄株式会社様)
      4. 油槽所
      5. 各種化学薬品製造工場
      6. プラスチック成型工場
      7. 半導体関連工場
      8. GX関連(水素など)施設
      9. 医薬関連工場
      10. 塗装工場
      11. 塗料・インク・包装材製造工場、印刷工場
      12. 有機溶剤を使用した洗浄工程
      13. 空港給油施設(関西国際空港航空機給油施設)
      14. 研究所      など  

可燃性の液体またはガスを取り扱う設備であれば、危険区域の精緻なリスク評価をご活用いただけますので、防爆範囲の見直しを具体的に検討されている場合には、是非お問い合わせください。

 

 今後の応用分野 

以下は、本リスク評価の検討結果を用いて、次の分野で活用が見込まれるものです。
弊社は下記のシステムの開発はしておりませんが、システムが出来上がった時には、防爆範囲の三次元データを提供します。

      1. 危険範囲(防爆範囲)の三次元データの活用
        1. ドローンの自動飛行機能への応用
          ドローン本体への位置情報搭載、ないしはGPS機能などによる通信によって、ドローン自身と防爆範囲の位置情報を常に認識し、防爆範囲への侵入を回避しながら自動で飛行することができれば、ドローンの操縦が不要になり、また操縦に伴うヒューマンエラー防止にもつながります。
          なお、防爆範囲に入ることは事故につながる可能性が高まるため、位置情報の誤差を極力小さくすることが求められます。

          以下の動画は危険物施設でのドローン飛行をイメージして作成したもので、防爆範囲から1mの範囲に入るとドローン(円盤)がオレンジ色に変わります。オレンジ色にならないような自動飛行機能をドローンに持たせるイメージです。
          (クリックで拡大)




        2. 防爆範囲への誤侵入アラート機能の付加
          スマホ、タブレットなどの非防爆タイプの携帯用端末を実際に現場で使用する場合、看板などを設けて防爆範囲を明確に示すことが必要ですが、実務上、手間暇がかかり面倒であるため、どうするかが課題になっています。
          そこで、防爆範囲の三次元の位置情報と携帯用端末のGPS機能を用いて、現場作業時に不用意に防爆範囲に入ることがないようにアラートを出す機能を端末に持たせることができれば解決できます。
          なお、こちらも上記同様に、位置情報の誤差を極力小さくすることが求められます。

          以下の動画は、人が防爆範囲に誤って侵入した場合をイメージしたもので、防爆範囲から1mの範囲に入ると人がオレンジ色に変わります。これと同じように一定範囲内に入った場合に、手元の携帯用端末からアラートが出るように設定するイメージです。
          (クリックで拡大)

 

その他にも有益な活用方法があると思いますが、当社は新たなニーズを探求し、ソリューション開発・提供を続けて参ります。危険物施設におけるDX化がさらに推進されるよう、強力にご支援致します。

 

戻る

 ご相談から消防申請まで 

ご相談から消防申請までの大まかな流れは以下の通りです。

当社ではリスク評価後、消防申請時に提出が必要な自主行動計画書の素案までをご提示します。

ご提供いただいた資料に基づき分析を進め、不明な点などがあれば、Web会議、電話、メール等で詳細確認させていただきます。必要に応じて写真データなどの追加提供をお願いしております。さらなる詳細確認が必要な場合のみ、現場調査をさせていただく場合がございます。

防爆エリアの低減に向けてのご相談やお問合せ等がございましたら、まずはお問合せフォームよりお気軽にご連絡ください。

   

 

戻る